Pre-Filter to remove waste and debris
The Cetus sieve is a bow screen pre-filter, made using the latest rotational molding technology. With all of its benefits and build quality, it is undoubtedly the best of its kind on the market today, regarding quality and performance! It is designed to efficiently and effectively remove large amounts of mechanical waste from a pond. It can be set-up gravity OR pump fed and has many benefits over the original bow screen technology.
Overview
The Cetus Sieve is a self-adjusting sieve which can be installed either gravity fed or pump fed. The Cetus Sieve enables your pond water to be filtered of large amounts of waste and debris before the water enters your current filter system. This process is commonly referred to as “pre-filtering”.
The Cetus Sieve can also be used as a stand-alone unit to remove leaves and other floating debris from your pond via a surface skimmer. The Cetus Sieve will efficiently and effectively remove large amounts of mechanical waste from your pond.
The Cetus Sieve is compatible with all filtration systems, however it is the perfect prefilter for the Evolution Aqua Nexus filter range. For gravity fed systems the Cetus Sieve has a weir which will automatically adjust to the flow rate of your pump. (Max flow rate 18,000 litres/hr).
When the Cetus Sieve is used in front of any other biological/mechanical filter the period in between cleaning will be extended. The biological process is improved by the removal of organic matter which would consume oxygen and leach ammonia and other compounds into the water.
Specifications
| Model | Max. Flow Rate | Inlet - Gravity Fed | Inlet - Pump Fed | Outlet - Gravity Fed | Outlet - Pump Fed |
|---|---|---|---|---|---|
![]() |
4,755 US gallons/hr |
4" eazy connector |
4" on Cetus with additional 4" - 1 ½" eazy connector |
3" on Cetus with additional 4" - 1 ½ eazy connector |
3" on Cetus factory fitted with 4" eazy connector |
Dimensions
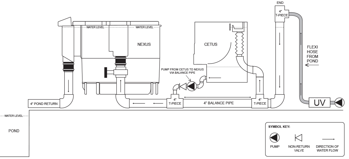
How the Cetus Sieve works
Installing the Cetus Sieve The Cetus Sieve has a variable inlet height using the unique patented Pondflow regulation system – for use when gravity fed. This allows water levels within the pond to drop without causing the circulating pump to be starved of water. The Cetus will allow a skimmer or a bottom drain to accept vast amounts of waste without excessive cleaning needed to be carried out. The water must then be pumped to either a normal filter above pond level (Nexus Eazy/Eazy Pod) or to a pressurised filter.
If pump fed, the sieve is placed above pond water level and then the exit water is gravity dropped into your main filter.
The Cetus sieve is a bow screen pre-filter, suitable for pre-filtration of any biological filter including all pressured filters. It is advised that all pressurised filters be pre-filtered using a Cetus to reduce excessive backwashing and maintenance due to heavy solids.
Installing the Cetus Sieve
The Cetus Sieve has a variable inlet height using the unique patented Pondflow regulation system – for use when gravity fed. This allows water levels within the pond to drop without causing the circulating pump to be starved of water. The Cetus will allow a skimmer or a bottom drain to accept vast amounts of waste without excessive cleaning needed to be carried out. The water must then be pumped to either a normal filter above pond level (Nexus Eazy/Eazy Pod) or to a pressurised filter.
If pump fed, the sieve is placed above pond water level and then the exit water is gravity dropped into your main filter. The Cetus sieve is a bow screen pre-filter, suitable for pre-filtration of any biological filter including all pressured filters. It is advised that all pressurised filters be pre-filtered using a Cetus to reduce excessive backwashing and maintenance due to heavy solids. The Cetus Sieve has a variable inlet height using the unique patented Pondflow regulation system – for use when gravity fed. This allows water levels within the pond to drop without causing the circulating pump to be starved of water. The Cetus will allow a skimmer or a bottom drain to accept vast amounts of waste without excessive cleaning needed to be carried out. The water must then be pumped to either a normal filter above pond level (Nexus / Eazy Pod) or to a pressurised filter.
If pump fed, the sieve is placed above pond water level and then the exit water is gravity dropped into your main filter. The Cetus sieve is a bow screen pre-filter, suitable for pre-filtration of any biological filter including all pressured filters. It is advised that all pressurised filters be pre-filtered using a Cetus to reduce excessive backwashing and maintenance due to heavy solids.
GRAVITY-FED INSTALLATIONS
GRAVITY-FED INSTALLATIONS
PUMP-FED INSTALLATIONS

